Pompe de baignoire WPP3
  • Pompe de baignoire WPP3 Pompe de baignoire WPP3

Pompe de baignoire WPP3

Les pompes de baignoire WPP3 de haute qualité de ZEN Machinery sont recommandées pour pomper de l'eau propre sans particules abrasives ni liquides chimiquement non agressifs pour les matériaux à partir desquels la pompe est fabriquée. La pompe de cette série peut fonctionner en continu. Il convient aux petites piscines, aux filtres de circulation pour la mariculture, au recyclage de l'eau des bains et au recyclage de l'eau des équipements de spa, etc. Il est facile à utiliser et à entretenir.

envoyer une demande

Description du produit

Pompe de baignoire WPP3

(Pompe de bain)

(Série WPP)


Caractéristiques

● Entrée de protection : Type 2

● Vidange automatique

● Faibles vibrations

● Maison du moteur électrique à oxydation anodique

● Opérations superflues

● protection contre les surcharges

● interrupteurs pneumatiques (en option)

● niveau f

● température du fluide ≤ 50°C

● Mec71


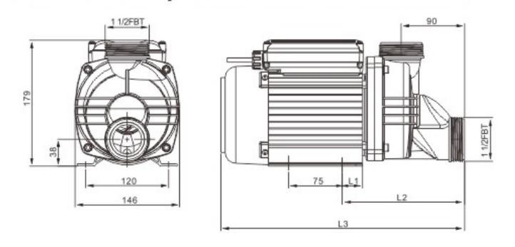
Forme et taille d'installation

Modèle WPP370A/WPP550A/WPP750A/WPP900A/WPP1100A/WPP1500A WPP1800A
L1(mm) 28.5 37.5
L2(mm) 172 181
L3(mm) 341 359


Courbe de productivité


Tableau des paramètres techniques

Modèle Pouvoir Stress/fréquence
V/Hz
Max. Couler Max. Taille d'installation G.W. La taille du colis La quantité de chargement
(Qté/20')
L/min Plaine mm kilos mm
WPP370A 370 W/0,5 CV 110-120 V/60 Hz 200 5 48,5/50 5.5

360x160x20

5(1 PIÈCES)

375x355x220

(2 PIÈCES)

2455
WPP550A 550 W/0,75 CV 270 7 6
WPP750A 750 W/1,0 CV 360 10 6.5
WPP900A 900 W/1,2 CV 380 11.5 6.8
WPP1100A 1 100 W/1,5 ch 420 12 7
WPP1500A 1500 W/2,0 CV 450 13.5 7.5
WPP1800A 1800 W/2,5 CV 500 16.5 8





Balises actives: Pompe de baignoire WPP3, Chine, fabricant, fournisseur, usine, personnalisé, qualité, dernières ventes, en stock, marques, CE, Taizhou
X
Nous utilisons des cookies pour vous offrir une meilleure expérience de navigation, analyser le trafic du site et personnaliser le contenu. En utilisant ce site, vous acceptez notre utilisation des cookies. politique de confidentialité
Rejeter Accepter