Les pompes d'aspiration d'extrémité NDX durables de ZEN Machinery sont conçues selon la norme BS EN733/DIN24255. Cette série de pompes présente de grands avantages sous forme de pièces interchangeables, de haute qualité et de faible coût, une large application dans les usines, les mines, l'approvisionnement en eau urbain, les systèmes d'extinction d'incendie, les systèmes de climatisation et d'irrigation.
Série A DIN24255 / EN 733 Pompe centrifuge à extrémité standard
• Approvisionnement en eau et assainissement
• Chauffage, climatisation et tour de refroidissement
• Ballast et fond du navire
• Superchargeurs et Superchargeurs
• Irrigation et agriculture
• Approvisionnement en eau et assainissement
• Chimie alimentaire (utilisation de matériaux en acier inoxydable)
Pompes et moteurs à extrémité standard série AD DIN24255 / EN 733
• Approvisionnement en eau et assainissement
• Chauffage, climatisation et tour de refroidissement
• Incendie et sécurité incendie
• Ballast et fond du navire
• Superchargeurs et Superchargeurs
• Recherche et Agriculture
• Approvisionnement en eau et assainissement
• Chimie alimentaire (utilisation de matériaux en acier inoxydable)
| Taille de recyclage | DN32~300mm | Vitesse d'écoulement | 4~1584m³/heure |
| Tête | 2~150m | ||
| Température moyenne : -10~85℃(standard) 85~105°℃(demande spéciale) | |||
|
Pression de service : ≤1,0MPa (standard) ≤1,6MPa (demande spéciale) |
|||
La gamme de pompes d'aspiration d'extrémité NDX de haute qualité de ZEN Machinery est conçue selon la norme BS EN733/DIN24255. Cette série de pompes présente les avantages de l'échange de composants, de haute qualité, de faible coût, largement utilisée dans les usines, les mines, l'approvisionnement en eau municipal, la lutte contre les incendies, la climatisation, l'irrigation et d'autres domaines.
Q : Fonte
Q : Stylo à bille en fonte
A : laiton
S : ASTM 420
45 : 1045 m.
S304 : ASTM 304
S316 : ASTM 316
H : Roulement à double rangée
G : grands essieux et roulements
Par défaut : Standard
M : Garniture mécanique
P : Remplisseur à pression
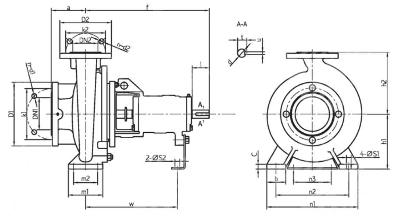
| Conception | Caractéristiques et dimensions conformes à la norme européenne BSEN733/DIN24255 |
| Composition | Aspiration horizontale et axiale en bout, mono-étagé, aspiration en bout, corps en volute, sortie arrière |
| DN(mm) | 32~300 |
| Bride | DIN2501 PN16 GB/T17241.6 PN1.6 |
| Partie | Matériau standard | Options sur demande |
| Cadre | Fonte | Fonte malléable/ASTM304/ASTM316 |
| Turbine | Laiton | Fonte/ASTM304/ASTM316 |
| Arbre | ASTM420 | ASTM304/ASTM316/ASTM1045 |
| Joint d'arbre | Impression mécanique | Garniture de presse-étoupe |
| Vitesse d'écoulement (Q) | 4~1584 m³/h |
| Tête(H) | 2~150 m |
| Vitesse | 1 450 ou 2 900 tr/min (50 Hz)/1 750 ou 3 500 tr/min (60 Hz) |
| Température maximale | 85 ℃ (norme) ; 105℃(sur demande) |
| Pression de travail | Norme 1,0 MPa ; 1,6 MPa sur demande |
| Moyen de transport | Eau pure ou liquides similaires à l'eau pure en termes de propriétés physiques. |
| Le code | Désignation |
| 1 | Cadre |
| 2 | Écrou de roue |
| 2.1 | Rondelle de blocage |
| 3 | Porter une bague |
| 3.1 | Porter une bague |
| 4 | Turbine |
| 5 | Couverture du boîtier |
| 6 | Entretoise d'arbre |
| 7 | Garniture mécanique |
| 8 | Bouchon d'étanchéité |
| 8.1 | Joint torique |
| 9 | Frondeur en caoutchouc |
| 10 | Cadre de roulement |
| Le code | Désignation |
| 11 | Arbre |
| 12 | Transporteur |
| 13 | Chapeau de roulement |
| 14 | Jambe d'appui |
| 14.1 | Rondelle plate |
| 15 | Pochette d'emballage |
| 16 | Cage de joint d'étanchéité |
| Manche de cou | |
| 17 | Garniture de presse-étoupe |
| 18 | Couvercle de joint d'huile |
| 19 | Joint de boîtier |
| 20 | Épingle |
| 21 | Épingle |
| Le code | Désignation |
| 22 | Épingle |
| 23 | Clé |
| 24 | Clé |
| 25 | Vis Boulon |
| 26 | Tasse de beurre |
| 27 | Je me suis senti |
| Joint d'huile | |
| 28 | Épingle |
| 29 | Prise |
| 30 | Prise |
| 31 | Échelle d'huile |
| 32 | Bouchon d'huile |
| 33 | Joint de col |


(ISO7005.2 DIN2501 PN16 GB/T17241.6 PN1.6)
| DN1/DN2 | 32 | 40 | 50 | 65 | 80 | 100 |
| D1/D2 | 140 | 150 | 165 | 185 | 200 | 220 |
| K1/K2 | 100 | 110 | 125 | 145 | 160 | 180 |
| n-d1/n-d2 | 4-f18 | 4-f18 | 4-f18 | 4-f18 | 8-f18 | 8-f18 |
| DN1/DN2 | 125 | 150 | 200 | 250 | 300 | 350 |
| D1/D2 | 250 | 285 | 340 | 405 | 460 | 520 |
| K1/K2 | 210 | 240 | 295 | 355 | 410 | 470 |
| n-d1/n-d2 | 8-f18 | 8-f22 | 12-φ22 | 12-f26 | 12-f26 | 16-φ26 |
| Modèle | Diamètre intérieur du roulement | DN2 | DN1 | a | f | h1 | h2 | b | C | n3 | m1 | m2 | n1 | n2 | S1 | S2 | W | d | I | t | U | Masse (kg) |
| A32/13 | 25 | 32 | 50 | 80 | 360 | 112 | 140 | 50 | 14 | 100 | 100 | 70 | 190 | 140 | 14 | 14 | 267 | 24 | 50 | 27 | 8 | 29 |
| A32/16 | 132 | 160 | 240 | 190 | 35 | |||||||||||||||||
| A32/20 | 160 | 180 | 110 | 47 | ||||||||||||||||||
| A32/26 | 100 | 180 | 225 | 65 | 125 | 95 | 320 | 250 | 58 | |||||||||||||
| A40/13 | 40 | 65 | 80 | 112 | 140 | 50 | 100 | 100 | 70 | 210 | 160 | 31 | ||||||||||
| A40/16 | 132 | 160 | 240 | 190 | 34 | |||||||||||||||||
| A40/20 | 100 | 160 | 180 | 110 | 265 | 212 | 45 | |||||||||||||||
| A40/26(H) | 180 | 225 | 65 | 125 | 95 | 320 | 250 | 61 | ||||||||||||||
| A40/32 | 35 | 125 | 470 | 200 | 250 | 345 | 280 | 342 | 32 | 80 | 35 | 10 | 94 | |||||||||
| A40/32(H) | 200 | 250 | 107 | |||||||||||||||||||
| A40/32G | 45 | 526 | 200 | 250 | 367 | 42 | 110 | 45 | 12 | 105 | ||||||||||||
| A50/13 | 25 | 50 | 100 | 360 | 132 | 160 | 50 | 100 | 100 | 70 | 240 | 190 | 267 | 24 | 50 | 27 | 8 | 35 | ||||
| A50/16 | 160 | 180 | 110 | 265 | 212 | 39 | ||||||||||||||||
| A50/20 | 160 | 200 | 49 | |||||||||||||||||||
| A50/26(H) | 180 | 225 | 65 | 125 | 95 | 320 | 250 | 68 | ||||||||||||||
| A50/26G | 35 | 470 | 344 | 32 | 80 | 35 | 10 | 65 | ||||||||||||||
| A50/32(H) | 125 | 225 | 280 | 18 | 345 | 280 | 342 | 113 | ||||||||||||||
| A50/32G | 45 | 50 | 65 | 125 | 526 | 225 | 280 | 65 | 18 | 125 | 95 | 345 | 280 | 367 | 42 | 110 | 45 | 12 | 105 | |||
| A65/13 | 25 | 65 | 80 | 100 | 360 | 160 | 180 | 14 | 125 | 95 | 280 | 212 | 267 | 24 | 50 | 27 | 8 | 41 | ||||
| A65/16 | 160 | 200 | 47 | |||||||||||||||||||
| A65/20(H) | 180 | 225 | 320 | 250 | 55 | |||||||||||||||||
| A65/20G | 35 | 465 | 339 | 32 | 80 | 35 | 10 | 60 | ||||||||||||||
| A65/26 | 470 | 200 | 250 | 80 | 15 | 160 | 120 | 360 | 280 | 18 | 342 | 87 | ||||||||||
| A65/32(H) | 125 | 225 | 280 | 18 | 400 | 315 | 110 | |||||||||||||||
| A65/32G | 45 | 525 | 225 | 280 | 18 | 367 | 42 | 110 | 45 | 12 | 120 | |||||||||||
| A80/16 | 25 | 80 | 100 | 360 | 180 | 225 | 65 | 14 | 125 | 95 | 320 | 250 | 14 | 267 | 24 | 50 | 27 | 8 | 53 | |||
| A80/20 | 35 | 470 | 180 | 250 | 15 | 345 | 280 | 342 | 32 | 80 | 35 | 10 | 76 | |||||||||
| A80/26 | 200 | 280 | 80 | 160 | 120 | 400 | 315 | 18 | 95 | |||||||||||||
| A80/32(H) | 250 | 315 | 16 | 118 | ||||||||||||||||||
| A80/32G | 45 | 526 | 16 | 367 | 42 | 110 | 45 | 12 | 130 | |||||||||||||
| A80/40 | 530 | 280 | 355 | 83 | 18 | 440 | 340 | 370 | 160 | |||||||||||||
| A100/16 | 35 | 100 | 125 | 470 | 200 | 250 | 80 | 15 | 360 | 280 | 342 | 32 | 80 | 35 | 10 | 87 | ||||||
| A100/20 | 35 | 280 | 80 | 16 | 84 | |||||||||||||||||
| A100/26(H) | 140 | 225 | 280 | 400 | 315 | 102 | ||||||||||||||||
| A100/32 | 250 | 315 | 118 | |||||||||||||||||||
| A100/40 | 45 | 530 | 280 | 355 | 100 | 20 | 200 | 150 | 500 | 400 | 23 | 370 | 42 | 110 | 45 | 12 | 176 | |||||
| A125/20 | 35 | 125 | 150 | 470 | 250 | 315 | 80 | 16 | 160 | 120 | 400 | 315 | 18 | 342 | 32 | 80 | 35 | 10 | 112 | |||
| A125/26 | 250 | 355 | 117 | |||||||||||||||||||
| A125/32 | 45 | 530 | 280 | 355 | 100 | 18 | 200 | 150 | 500 | 400 | 23 | 370 | 42 | 110 | 45 | 12 | 155 | |||||
| A125/40 | 160 | 315 | 400 | 178 | ||||||||||||||||||
| FA125/50 | 55 | 670 | 355 | 450 | 25 | 550 | 450 | 500 | 48 | 110 | 51 | 14 | 300 | |||||||||
| A150/20 | 35 | 150 | 200 | 500 | 280 | 400 | 18 | 400 | 315 | 342 | 32 | 80 | 35 | 10 | 132 | |||||||
| A150/26 | 45 | 530 | 250 | 355 | 450 | 350 | 370 | 42 | 110 | 45 | 12 | 163 | ||||||||||
| A150/32 | 280 | 400 | 550 | 450 | 170 | |||||||||||||||||
| A150/40 | 315 | 450 | 207 | |||||||||||||||||||
| A150/50 | 55 | 180 | 670 | 375 | 500 | 22 | 500 | 48 | 51 | 14 | 330 | |||||||||||
| A200/26 | 45 | 200 | 250 | 555 | 315 | 450 | 20 | 28 | 392 | 42 | 45 | 12 | 219 | |||||||||
| A200/32 | 55 | 670 | 315 | 480 | 120 | 220 | 170 | 600 | 480 | 505 | 48 | 51 | 14 | 286 | ||||||||
| A200/40 | 335 | 480 | 250 | 328 | ||||||||||||||||||
| A200/50 | 65 | 200 | 250 | 200 | 720 | 425 | 560 | 100 | 22 | 140 | 200 | 150 | 660 | 560 | 23 | 19 | 515 | 60 | 140 | 64 | 18 | 450 |
| A250/32 | 55 | 250 | 300 | 220 | 691 | 355 | 520 | 150 | 26 | 110 | 250 | 200 | 660 | 510 | 28 | 14 | 525 | 48 | 110 | 51 | 14 | 366 |
| A250/40 | 682 | 400 | 560 | 516 | 396 | |||||||||||||||||
| A250/50 | 65 | 250 | 300 | 250 | 720 | 450 | 670 | 120 | 32 | 140 | 240 | 190 | 750 | 650 | 23 | 19 | 515 | 60 | 140 | 64 | 18 | 550 |
| A300/40 | 65 | 300 | 350 | 300 | 720 | 425 | 120 | 30 | 250 | 190 | 760 | 660 | 30 | 19 | 515 | 60 | 140 | 64 | 18 | 550 |