La pompe de pipeline IRG ISW ISWB est une pompe centrifuge verticale. Il convient au pompage d'eau propre sans particules abrasives et de fluides chimiquement non corrosifs pour les matériaux de la pompe. Cette série peut être utilisée pour l'alimentation et le transport d'eau dans les systèmes de refroidissement, de chauffage, de circulation et de climatisation, ainsi que pour les applications industrielles et de lutte contre les incendies. Les pompes doivent être installées à l'intérieur ou au moins dans un endroit protégé des intempéries.
1. La pression maximale du système de pompage est de 1,6 MPa, c'est-à-dire La pression à l'entrée de la pompe + pression de la pompe est de 1,6 MPa. (Lors de la commande, veuillez indiquer la pression de fonctionnement du système, la pression de fonctionnement du système de pompe est supérieure à 1,6 MPa, lors de la commande doit être présentée séparément. Les pièces d'écoulement et de connexion de la pompe lors de la fabrication sont en fonte.)
2. L'environnement applicable : une substance solide insoluble avec une teneur en volume ne dépassant pas 0,1 % par unité de volume et une taille de particules ne dépassant pas 0,2 mm (le milieu contenant de petites particules doit être résistant à l'usure et étanche mécaniquement, à indiquer lors de la commande).
3. La température ambiante ne dépasse pas 40 °C, la température relative ne dépasse pas 95 °C, la hauteur au-dessus du niveau de la mer ne dépasse pas 1000 m.
C'EST DERRIÈRE 50 - 160 - 3
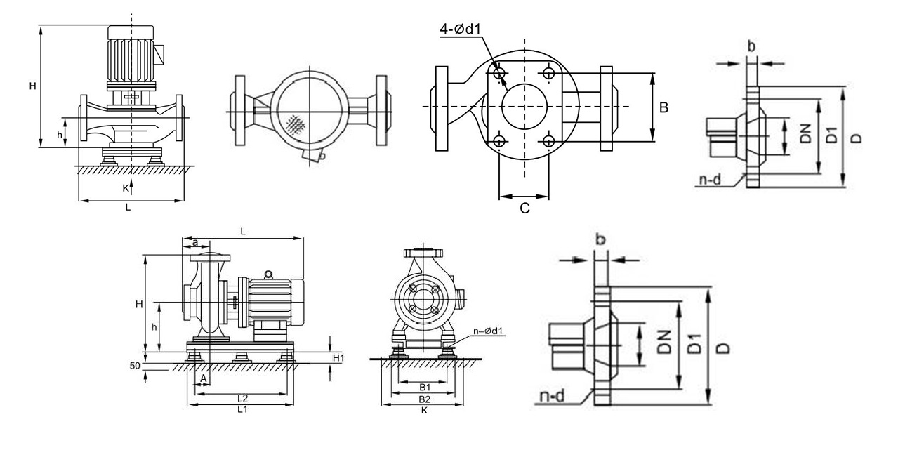
① IRG : pompe de canalisation verticale
② 50 : Calibre (mm)
③ 160 : diamètre de l'Iring (mm)
④ 3 : Puissance (KW)
| Taper | Flux Q | effort m |
Efficacité (%) |
Synchronisation Vitesse de rotation tr/min |
Moteur électrique Pouvoir KW |
Fourniture obligatoire de cavitation (m) |
Installation d'un enregistrement vertical | La taille de la pompe horizontale | La taille de la bride | Isolation des vibrations | H1 | |||||||||||||
| m³/heure | L/S | H | L | h | B | C | H | h | a | L1 | L | L2 | B1 | D | D1 | s-d | Spécification | |||||||
| 25-125 |
2.8 4 5.2 |
0.78 1.11 1.44 |
20.6 20 18 |
28 36 35 |
2900 | 0.75 | 2.3 | 430 | 275 | 70 | 80 | 50 | 320 | 180 | 90 | 405 | 445 | 210 | 260 | Φ115 | Φ85 | 4-F16 | SD41-0.5 | 20 |
| 25-125A |
2.5 3.6 4.6 |
0.69 1.0 1.28 |
17 16 14.4 |
27 35 34 |
2900 | 0.75 | 2.3 | 430 | 275 | 70 | 80 | 50 | 320 | 180 | 90 | 405 | 445 | 210 | 260 | Φ115 | Φ85 | 4-F16 | SD41-0.5 | 20 |
| 25-160 |
2.8 4 5.2 |
0.78 1.11 1.44 |
33 32 30 |
24 32 33 |
2900 | 1.5 | 2.3 | 455 | 320 | 75 | 100 | 60 | 320 | 180 | 90 | 440 | 470 | 250 | 300 | Φ115 | Φ85 | 4-F16 | SD41-0.5 | 20 |
| 25-160A |
2.6 3.7 4.9 |
0.72 1.03 1.36 |
29 28 26 |
22 31 32 |
2900 | 1.1 | 2.3 | 440 | 320 | 75 | 100 | 60 | 320 | 180 | 90 | 440 | 455 | 250 | 300 | Φ115 | Φ85 | 4-F16 | SD41-0.5 | 20 |
| 32-125 |
3.5 5 6.5 |
0.97 1.39 1.8 |
22 20 18 |
40 44 42 |
2900 | 0.75 | 2.3 | 445 | 270 | 75 | 100 | 60 | 320 | 180 | 90 | 440 | 455 | 250 | 310 | Φ140 | Φ100 | 4-F16 | SD41-0.5 | 20 |
| 32-125A |
3.1 4.5 5.8 |
0.86 1.25 1.61 |
17.6 16 14.4 |
38 42 40 |
2900 | 0.75 | 2.3 | 445 | 270 | 75 | 100 | 60 | 320 | 180 | 90 | 440 | 455 | 250 | 310 | Φ140 | Φ100 | 4-F16 | SD41-0.5 | 20 |
| Taper | Flux Q | effort m |
Efficacité (%) |
Synchronisation Vitesse de rotation tr/min |
Moteur électrique Pouvoir KW |
Fourniture obligatoire de cavitation (m) |
Installation d'un enregistrement vertical | La taille de la pompe horizontale | La taille de la bride | Isolation des vibrations | H1 | |||||||||||||
| m³/heure | L/S | H | L | h | B | C | H | h | a | L1 | L | L2 | B1 | D | D1 | s-d | Spécification | |||||||
| 40-100 |
4.4 6.3 8.3 |
1.22 1.75 2.31 |
13.2 12.5 11.3 |
48 54 53 |
2900 | 0.75 | 2.3 | 410 | 270 | 85 | 120 | 70 | 260 | 145 | 95 | 405 | 460 | 260 | 125 | Φ150 | Φ110 | 4-F18 | SD41-0.5 | 20 |
| 40-100A |
3.9 5.6 7.4 |
1.08 1.56 2.06 |
10.6 10 9 |
45 52 50 |
2900 | 0.75 | 2.3 | 410 | 270 | 85 | 120 | 70 | 260 | 145 | 95 | 405 | 460 | 260 | 125 | Φ150 | Φ110 | 4-F18 | SD41-0.5 | 20 |
| 40-125 |
4.4 6.3 8.3 |
1.22 1.75 2.31 |
21 20 18 |
41 46 43 |
2900 | 1.1 | 2.3 | 410 | 285 | 85 | 120 | 70 | 305 | 165 | 80 | 405 | 445 | 210 | 260 | Φ150 | Φ110 | 4-F18 | SD41-0.5 | 20 |
| 40-125A |
3.9 5.6 7.4 |
1.08 1.56 2.06 |
17.6 16 14.4 |
40 45 41 |
2900 | 0.75 | 2.3 | 410 | 285 | 85 | 120 | 70 | 305 | 165 | 80 | 405 | 445 | 210 | 260 | Φ150 | Φ110 | 4-F18 | SD41-0.5 | 20 |
| 40-160 |
4.4 6.3 8.3 |
1.22 1.75 2.31 |
33 32 30 |
35 40 40 |
2900 | 2.2 | 2.3 | 445 | 325 | 80 | 120 | 70 | 375 | 210 | 85 | 455 | 489 | 250 | 310 | Φ150 | Φ110 | 4-F18 | SD41-0.5 | 20 |
| 40-160A |
4.1 5.9 7.8 |
1.44 1.64 2.17 |
29 28 26.3 |
34 39 39 |
2900 | 1.5 | 2.3 | 420 | 325 | 80 | 120 | 70 | 375 | 210 | 85 | 455 | 465 | 250 | 310 | Φ150 | Φ110 | 4-F18 | SD41-0.5 | 20 |
| 40-160B |
3.8 5.5 7.2 |
1.06 1.53 2.0 |
25.5 24 225 |
34 38 37 |
2900 | 1.1 | 2.3 | 405 | 325 | 80 | 120 | 70 | 370 | 205 | 85 | 455 | 450 | 210 | 260 | Φ150 | Φ110 | 4-F18 | SD41-0.5 | 20 |
| Taper | Flux Q | effort m |
Efficacité (% ) |
Synchronisation Vitesse de rotation tr/min |
Moteur électrique Pouvoir KW |
Cavitation obligatoire Reste (m) |
Installation de pompes verticales | La taille de la pompe horizontale | La taille de la bride | Isolation des vibrations | H1 | |||||||||||||||
| m³/heure | L/S | H | L | h | B | C | H | h | a | L1 | L | L2 | B1 | D | D1 | s-d | Spécification | |||||||||
| 40-200 |
4.4 6.3 8.3 |
1.22 1.75 2.31 |
51 50 48 |
26 33 32 |
2900 | 4 | 2.3 | 525 | 345 | 70 | 130 | 80 | 405 | 230 | 85 | 490 | 560 | 300 | 350 | Φ150 | Φ110 | 4-F18 | SD41-0.5 | 20 | ||
| 40-200A |
4.1 5.9 7.8 |
1.14 1.64 2.17 |
45 44 42 |
26 31 30 |
2900 | 3 | 2.3 | 495 | 345 | 70 | 130 | 80 | 405 | 230 | 85 | 490 | 530 | 300 | 350 | Φ150 | Φ110 | 4-F18 | SD41-0.5 | 20 | ||
| 40-200b |
3.7 5.3 7.0 |
1.08 1.47 1.94 |
38 36 34.5 |
23 29 24 |
2900 | 2.2 | 2.3 | 470 | 345 | 90 | 130 | 80 | 395 | 220 | 85 | 455 | 505 | 280 | 310 | Φ150 | Φ110 | 4-F18 | SD41-0.5 | 20 | ||
| 40-250 |
4.4 6.3 8.3 |
1.22 1.75 2.31 |
82 80 75 |
24 28 28 |
2900 | 7.5 | 2.3 | 580 | 405 | 100 | 130 | 80 | 455 | 255 | 80 | 540 | 625 | 340 | 380 | Φ150 | Φ110 | 4-F18 | SD41-0.5 | 20 | ||
| 40-250A |
4.1 5.9 7.8 |
1.14 1.64 2.17 |
72 70 65 |
24 28 27 |
2900 | 5.5 | 2.3 | 580 | 405 | 100 | 130 | 80 | 455 | 255 | 80 | 540 | 625 | 340 | 380 | Φ150 | Φ110 | 4-F18 | SD41-0.5 | 20 | ||
| 40-250B |
3.8 5.5 7.0 |
1.06 1.53 1.94 |
61.5 60 56 |
23 27 26 |
2900 | 4 | 2.3 | 535 | 405 | 100 | 130 | 80 | 455 | 255 | 80 | 540 | 570 | 340 | 380 | Φ150 | Φ110 | 4-F18 | SD41-0.5 | 20 | ||
| 40-100(I) |
8.8 12.5 16.3 |
2.44 3.47 4.53 |
13.2 12.5 11.3 |
55 62 60 |
2900 | 1.1 | 2.3 | 420 | 300 | 95 | 120 | 70 | 290 | 145 | 80 | 405 | 470 | 210 | 260 | Φ150 | Φ110 | 4-F18 | SD41-0.5 | 20 | ||
| Taper | Flux Q | effort m |
Efficacité (%) |
Synchronisation Vitesse de rotation tr/min |
Moteur électrique Pouvoir KW |
Fourniture obligatoire de cavitation (m) |
Installation d'un enregistrement vertical | La taille de la pompe horizontale | La taille de la bride | Isolation des vibrations | H1 | ||||||||||||||
| m³/heure | L/S | H | L | h | B | C | H | h | a | L1 | L | L2 | B1 | D | D1 | s-d | Spécification | ||||||||
| 40-100(I)A |
8 11 14.5 |
2.22 3.05 4.06 |
10.6 10 9 |
52 60 56 |
2900 | 0.75 | 2.3 | 420 | 300 | 95 | 120 | 70 | 290 | 145 | 80 | 405 | 470 | 210 | 260 | Φ150 | Φ110 | 4-F18 | SD41-0.5 | 20 | |
| 40-125(I) |
8.8 12.6 16.3 |
2.44 3.47 4.53 |
21.2 20 17.8 |
49 58 57 |
2900 | 1.5 | 2.3 | 430 | 305 | 90 | 120 | 70 | 320 | 170 | 90 | 440 | 480 | 250 | 300 | Φ150 | Φ110 | 4-F18 | SD41-0.5 | 20 | |
| 40-125(I)A |
8 11 14.5 |
2.22 3.05 4.03 |
17 16 14 |
47 57 54 |
2900 | 1.1 | 2.3 | 415 | 305 | 90 | 120 | 70 | 315 | 165 | 90 | 440 | 465 | 210 | 260 | Φ150 | Φ110 | 4-F18 | SD41-0.5 | 20 | |
| 40-160(I) |
8.8 12.5 16.3 |
2.44 3.47 4.53 |
33 32 30 |
45 52 52 |
2900 | 3.0 | 2.3 | 505 | 325 | 100 | 130 | 80 | 380 | 220 | 85 | 485 | 540 | 280 | 320 | Φ150 | Φ110 | 4-F18 | SD41-0.5 | 20 | |
| 40-160(I)A |
8.2 11.7 15.2 |
2.28 3.25 4.22 |
29 28 26 |
44 41 50 |
2900 | 2.2 | 2.3 | 465 | 325 | 100 | 130 | 80 | 380 | 220 | 85 | 455 | 495 | 280 | 310 | Φ150 | Φ110 | 4-F18 | SD41-0.5 | 20 | |
| 40-160(I)B |
7.8 10.4 13.5 |
2.38 2.89 3.75 |
23 22 20.5 |
44 49 47 |
2900 | 1.5 | 2.3 | 440 | 325 | 100 | 130 | 80 | 380 | 220 | 85 | 455 | 495 | 280 | 310 | Φ150 | Φ110 | 4-F18 | SD41-0.5 | 20 | |
| Taper | Flux Q | effort m |
Efficacité (%) |
Synchronisation Vitesse de rotation tr/min |
Moteur électrique Pouvoir KW |
Fourniture obligatoire de cavitation (m) |
Installation d'un enregistrement vertical | La taille de la pompe horizontale | La taille de la bride | Isolation des vibrations | H1 | |||||||||||||
| m³/heure | L/S | H | L | h | B | C | H | h | a | L1 | L | L2 | B1 | D | D1 | s-d | Spécification | |||||||
| 40-200(I) |
8.8 12.5 16.3 |
2.44 3.47 4.53 |
51.2 50 48 |
38 46 46 |
2900 | 5.5 | 2.3 | 580 | 345 | 95 | 130 | 80 | 400 | 220 | 100 | 535 | 590 | 340 | 340 | Φ150 | Φ110 | 4-F18 | SD41-0.5 | 20 |
| 40-200(I)A |
8.3 11.7 15.3 |
2.31 3.25 4.25 |
45 44 42 |
37 45 45 |
2900 | 4 | 2.3 | 530 | 345 | 95 | 130 | 80 | 400 | 220 | 100 | 490 | 580 | 300 | 340 | Φ150 | Φ110 | 4-F18 | SD41-0.5 | 20 |
| 40-200(I)B |
7.5 10.6 13.8 |
2.08 2.94 3.83 |
37 36 34 |
35 44 42 |
2900 | 3 | 2.3 | 500 | 345 | 95 | 130 | 80 | 410 | 230 | 100 | 490 | 550 | 300 | 340 | Φ150 | Φ110 | 4-F18 | SD41-0.5 | 20 |
| 40-250(I) |
8.8 12.5 16.3 |
2.44 3.47 4.53 |
81.2 80 77.5 |
31 38 40 |
2900 | 11 | 2.3 | 675 | 440 | 100 | 160 | 100 | 495 | 270 | 100 | 640 | 735 | 430 | 430 | Φ150 | Φ110 | 4-F18 | SD41-0.5 | 20 |
| 40-250(I)A |
8.2 11.6 15.2 |
2.28 3.22 4.22 |
71 70 68 |
28 38 39 |
2900 | 7.5 | 2.3 | 585 | 440 | 100 | 160 | 100 | 480 | 255 | 100 | 540 | 645 | 340 | 380 | Φ150 | Φ110 | 4-F18 | SD41-0.5 | 20 |
| 40-250(I)B |
7.6 10.8 14 |
2.11 3 3.89 |
61.4 60 58 |
28 37 37 |
2900 | 7.5 | 2.3 | 585 | 440 | 100 | 160 | 100 | 480 | 255 | 100 | 540 | 645 | 340 | 380 | Φ150 | Φ110 | 4-F18 | SD41-0.5 | 20 |
| Taper | Flux Q | effort m |
Efficacité (%) |
Synchronisation Vitesse de rotation tr/min |
Moteur électrique Pouvoir KW |
Fourniture obligatoire de cavitation (m) |
Installation d'un enregistrement vertical | La taille de la pompe horizontale | La taille de la bride | Isolation des vibrations | H1 | |||||||||||||
| m³/heure | L/S | H | L | h | B | C | H | h | a | L1 | L | L2 | B1 | D | D1 | s-d | Spécification | |||||||
| 40-250(I)C |
7.1 10 13.1 |
1.97 2.78 3.64 |
53.2 52 50.4 |
26 36 35 |
2900 | 5.5 | 2.3 | 585 | 440 | 100 | 160 | 100 | 480 | 255 | 100 | 540 | 645 | 340 | 380 | Φ150 | Φ110 | 4-F18 | SD41-0.5 | 20 |
| 50-100 |
8.8 12.5 16.3 |
2.44 3.47 4.53 |
13.6 12.5 11.3 |
55 62 60 |
2900 | 1.1 | 2.3 | 420 | 300 | 95 | 120 | 70 | 290 | 145 | 80 | 405 | 470 | 210 | 260 | Φ165 | Φ125 | 4-F18 | SD41-0.5 | 20 |
| 50-100A |
8 11 14.5 |
2.22 3.05 4.03 |
11 10 9 |
52 60 56 |
2900 | 0.75 | 2.3 | 420 | 300 | 95 | 120 | 70 | 290 | 145 | 80 | 405 | 470 | 210 | 260 | Φ165 | Φ125 | 4-F18 | SD41-0.5 | 20 |
| 50-125 |
8.8 12.5 16.3 |
2.44 3.47 4.53 |
21.5 20 17.8 |
49 58 57 |
2900 | 1.5 | 2.3 | 430 | 305 | 90 | 120 | 70 | 320 | 170 | 90 | 440 | 480 | 250 | 300 | Φ165 | Φ125 | 4-F18 | SD41-0.5 | 20 |
| 50-125A |
8 11 14.5 |
2.22 3.05 4.03 |
17 16 14 |
47 57 54 |
2900 | 1.1 | 2.3 | 415 | 305 | 90 | 120 | 70 | 315 | 165 | 90 | 405 | 465 | 210 | 260 | Φ165 | Φ125 | 4-F18 | SD41-0.5 | 20 |
| 50-160 |
8.8 12.5 16.3 |
2.44 3.47 4.53 |
33 32 30 |
45 52 51 |
2900 | 3 | 2.3 | 505 | 325 | 100 | 130 | 80 | 385 | 220 | 85 | 485 | 535 | 280 | 320 | Φ165 | Φ125 | 4-F18 | SD41-0.5 | 20 |
| 50-160A |
8.2 11.7 15.2 |
2.28 3.25 4.22 |
29 28 26 |
44 51 50 |
2900 | 2.2 | 2.3 | 465 | 325 | 100 | 130 | 80 | 385 | 220 | 85 | 455 | 495 | 280 | 310 | Φ165 | Φ125 | 4-F18 | SD41-0.5 | 20 |
| Taper | Flux Q | effort m |
Efficacité (%) |
Synchronisation Vitesse de rotation tr/min |
Moteur électrique Pouvoir KW |
Fourniture obligatoire de cavitation (m) |
Installation d'un enregistrement vertical | La taille de la pompe horizontale | La taille de la bride | Isolation des vibrations | H1 | |||||||||||||
| m³/heure | L/S | H | L | h | B | C | H | h | a | L1 | L | L2 | B1 | D | D1 | s-d | Spécification | |||||||
| 50-160B |
7.3 10.4 13.5 |
2.38 2.89 2.75 |
23 22 20.5 |
42 49 47 |
2900 | 1.5 | 2.3 | 440 | 325 | 100 | 130 | 80 | 385 | 220 | 85 | 455 | 470 | 280 | 310 | Φ165 | Φ125 | 4-F18 | SD41-0.5 | 20 |
| 50-200 |
8.8 12.5 16.3 |
2.44 3.47 4.53 |
52 45 45 |
38 46 46 |
2900 | 5.5 | 2.3 | 580 | 345 | 95 | 130 | 80 | 400 | 220 | 85 | 535 | 635 | 340 | 340 | Φ165 | Φ125 | 4-F18 | SD41-0.5 | 20 |
| 50-200A |
8.3 11.7 15.3 |
2.31 3.25 4.25 |
45.8 44 42 |
37 45 45 |
2900 | 4 | 2.3 | 530 | 345 | 95 | 130 | 80 | 400 | 220 | 85 | 490 | 580 | 300 | 340 | Φ165 | Φ125 | 4-F18 | SD41-0.5 | 20 |
| 50-200b |
7.5 10.6 13.8 |
2.08 2.94 3.83 |
37 36 34 |
35 44 42 |
2900 | 3 | 2.3 | 500 | 345 | 100 | 130 | 80 | 400 | 220 | 85 | 490 | 555 | 300 | 340 | Φ165 | Φ125 | 4-F18 | SD41-0.5 | 20 |
| 50-250 |
8.8 12.5 16.3 |
2.44 3.47 4.53 |
82 80 77.5 |
29 25 40 |
2900 | 11 | 2.3 | 685 | 445 | 110 | 160 | 100 | 495 | 270 | 100 | 640 | 735 | 430 | 430 | Φ165 | Φ125 | 4-F18 | SD41-0.5 | 20 |
| 50-250A |
8.2 11.6 15.2 |
2.28 3.22 4.22 |
71.5 70 68 |
28 38 39 |
2900 | 7.5 | 2.3 | 595 | 445 | 110 | 160 | 100 | 480 | 255 | 100 | 540 | 645 | 340 | 380 | Φ165 | Φ125 | 4-F18 | SD41-0.5 | 20 |
| Taper | Flux Q | effort m |
Efficacité (%) |
Synchronisation Vitesse de rotation tr/min |
Moteur électrique Pouvoir KW |
Fourniture obligatoire de cavitation (m) |
Installation d'un enregistrement vertical | La taille de la pompe horizontale | La taille de la bride | Isolation des vibrations | H1 | |||||||||||||
| m³/heure | L/S | H | L | h | B | C | H | h | a | L1 | L | L2 | B1 | D | D1 | s-d | Spécification | |||||||
| 50-250B |
7.6 10.8 14 |
2.11 3 3.89 |
61.4 60 58 |
28 37 37 |
2900 | 7.5 | 2.3 | 595 | 445 | 110 | 160 | 100 | 480 | 255 | 100 | 540 | 645 | 340 | 380 | Φ165 | Φ125 | 4-F18 | SD41-0.5 | 20 |
| 50-250C |
7.1 10 13.1 |
1.97 2.78 3.64 |
53.2 52 50.4 |
26 36 35 |
2900 | 5.5 | 2.3 | 595 | 445 | 110 | 160 | 100 | 480 | 255 | 100 | 540 | 645 | 340 | 380 | Φ165 | Φ125 | 4-F18 | SD41-0.5 | 20 |
| 50-100(I) |
17.5 25 |
4.86 6.94 |
13.7 12.5 |
67 69 |
2900 | 1.5 | 2.5 | 440 | 320 | 100 | 160 | 100 | 370 | 210 | 95 | 440 | 510 | 300 | 350 | Φ165 | Φ125 | 4-F18 | SD41-0.5 | 20 |
| 50-100(I)A |
15.6 22.3 29 |
4.3 6.19 8.1 |
11 10 8.4 |
65 67 68 |
2900 | 1.1 | 2.5 | 425 | 320 | 100 | 160 | 100 | 370 | 210 | 95 | 440 | 470 | 250 | 300 | Φ165 | Φ125 | 4-F18 | SD41-0.5 | 20 |
| 50-125(I) |
17.5 25 32.5 |
4.86 6.94 9.03 |
21.5 20 18 |
60 68 67 |
2900 | 3 | 2.5 | 480 | 345 | 105 | 160 | 100 | 365 | 220 | 105 | 455 | 555 | 280 | 310 | Φ165 | Φ125 | 4-F18 | SD41-0.5 | 20 |
| 50-125(I)A |
15.6 22.3 |
4.33 6.19 |
17 16 |
58 66 |
2900 | 2.2 | 2.5 | 480 | 345 | 105 | 160 | 100 | 365 | 220 | 105 | 455 | 515 | 280 | 310 | Φ165 | Φ125 | 4-F18 | SD41-0.5 | 20 |
| 50-160(I) |
17.5 25 32.5 |
4.86 6.94 9.03 |
34.4 32 27.5 |
54 63 60 |
2900 | 4 | 2.5 | 540 | 365 | 105 | 160 | 100 | 405 | 230 | 80 | 505 | 665 | 280 | 350 | Φ165 | Φ125 | 4-F18 | SD41-0.5 | 20 |
| Taper | Flux Q | effort m |
Efficacité (%) |
Synchronisation Vitesse de rotation tr/min |
Moteur électrique Pouvoir KW |
Fourniture obligatoire de cavitation (m) |
Installation d'un enregistrement vertical | La taille de la pompe horizontale | La taille de la bride | Isolation des vibrations | H1 | |||||||||||||
| m³/heure | L/S | H | L | h | B | C | H | h | a | L1 | L | L2 | B1 | D | D1 | s-d | Spécification | |||||||
| 50-160(I)A |
16.4 23.4 30.4 |
4.56 6.5 8.44 |
30 28 24 |
54 52 59 |
2900 | 4 | 2.3 | 540 | 365 | 105 | 160 | 100 | 405 | 230 | 80 | 505 | 665 | 300 | 350 | Φ165 | Φ125 | 4-F18 | SD41-0.5 | 20 |
| 50-160(I)B |
15 21.6 28 |
4.17 6 7.78 |
26 24 20.6 |
49 58 54 |
2900 | 3 | 2.3 | 510 | 365 | 105 | 160 | 100 | 405 | 230 | 85 | 505 | 640 | 300 | 350 | Φ165 | Φ125 | 4-F18 | SD41-0.5 | 20 |
| 50-200(I) |
17.5 25 32.5 |
4.86 6.94 9.03 |
52.7 50 45.5 |
49 58 59 |
2900 | 7.5 | 2.3 | 595 | 390 | 105 | 160 | 100 | 405 | 220 | 100 | 535 | 640 | 340 | 340 | Φ165 | Φ125 | 4-F18 | SD41-0.5 | 20 |
| 50-200(I)A |
16.4 23.5 30.5 |
4.56 6.53 8.47 |
46.4 44 40 |
48 57 58 |
2900 | 7.5 | 2.3 | 595 | 390 | 105 | 160 | 100 | 405 | 220 | 100 | 535 | 640 | 340 | 340 | Φ165 | Φ125 | 4-F18 | SD41-0.5 | 20 |
| 50-200(I)B |
15.2 21.8 28.3 |
4.22 6.06 7.86 |
40 38 34.5 |
45 55 55 |
2900 | 5.5 | 2.3 | 595 | 390 | 105 | 160 | 100 | 405 | 220 | 100 | 535 | 640 | 340 | 340 | Φ165 | Φ125 | 4-F18 | SD41-0.5 | 20 |
| 50-250(I) |
17.5 25 32.5 |
4.86 6.94 9.03 |
82 80 76.5 |
39 50 52 |
2900 | 15 | 2.3 | 695 | 485 | 120 | 180 | 120 | 515 | 270 | 105 | 695 | 740 | 430 | 440 | Φ165 | Φ125 | 4-F18 | SD41-0.5 | 20 |
| 50-250(I)A |
16.4 23.4 30.5 |
4.56 6.5 8.47 |
71.5 70 67 |
39 50 52 |
2900 | 11 | 2.3 | 695 | 485 | 120 | 180 | 120 | 515 | 270 | 105 | 695 | 740 | 430 | 440 | Φ165 | Φ125 | 4-F18 | SD41-0.5 | 20 |
| Taper | Flux Q | effort m |
Efficacité (%) |
Synchronisation Vitesse de rotation tr/min |
Moteur électrique Pouvoir KW |
Fourniture obligatoire de cavitation (m) |
Installation d'un enregistrement vertical | La taille de la pompe horizontale | La taille de la bride | Isolation des vibrations | H1 | |||||||||||||
| m³/heure | L/S | H | L | h | B | C | H | h | a | L1 | L | L2 | B1 | D | D1 | s-d | Spécification | |||||||
| 50-250(I)B |
15 21.6 28 |
4.17 6 7.78 |
61 60 57.4 |
38 49 54 |
2900 | 11 | 2.3 | 695 | 485 | 120 | 180 | 120 | 515 | 270 | 105 | 695 | 740 | 430 | 440 | Φ165 | Φ125 | 4-F18 | SD41-0.5 | 20 |
| 50-315(I) |
17.5 25 32.5 |
4.86 6.94 9.03 |
128 125 122 |
30 40 44 |
2900 | 30 | 2.5 | 865 | 550 | 130 | 180 | 120 | 565 | 290 | 130 | 740 | 930 | 405 | 460 | Φ165 | Φ125 | 4-F18 | SD41-0.5 | 20 |
| 50-315(I)A |
16.6 23.7 31 |
4.61 6.58 8.6 |
115 113 110 |
30 40 44 |
2900 | 22 | 2.5 | 785 | 550 | 130 | 180 | 120 | 565 | 290 | 130 | 740 | 850 | 405 | 460 | Φ165 | Φ125 | 4-F18 | SD41-0.5 | 20 |
| 50-315(I)B |
15.7 22.5 29.2 |
4.36 6.25 8 |
103 101 98 |
30 39 42 |
2900 | 18.5 | 2.5 | 785 | 550 | 130 | 180 | 120 | 565 | 290 | 130 | 740 | 850 | 405 | 460 | Φ165 | Φ125 | 4-F18 | SD41-0.5 | 20 |
| 50-315(I)C |
14.4 20.6 26.8 |
4 5.72 7.44 |
86 85 83 |
38 46 40 |
2900 | 15 | 2.5 | 705 | 550 | 130 | 180 | 120 | 565 | 290 | 130 | 740 | 770 | 405 | 460 | Φ165 | Φ125 | 4-F18 | SD41-0.5 | 20 |
| 65-100 |
17.5 25 32.5 |
4.86 6.94 9.03 |
13.7 12.5 10.5 |
67 69 69 |
2900 | 1.5 | 2.5 | 495 | 325 | 95 | 160 | 100 | 380 | 220 | 95 | 455 | 510 | 280 | 310 | Φ165 | Φ125 | 4-F18 | SD41-0.5 | 20 |